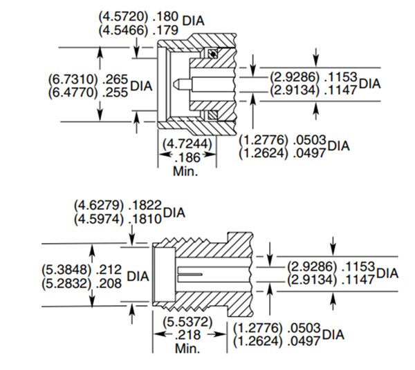
Samtec PRF92 Precision Cable Connectors

Samtec PRF92 Precision Cable Connectors are 2.92mm precision RF interconnects that offer performance up to 40GHz and a 50Ω impedance rating. These cable connectors are designed with semi-rigid and low-loss flexible cables. Samtec PRF92 Precision Cable Connectors feature a compression mount jack with a two-hole flange in various board thicknesses.

Features

  • 2.92mm
  • Performance up to 40GHz
  • 50Ω impedance rating
  • Semi-rigid and low loss flexible cables

Interface Standard

Samtec PRF92 Precision Cable Connectors
Publicado: 2022-05-04 | Actualizado: 2022-05-10