SEGGER Microcontroller 5V Target Supply Adapter Board
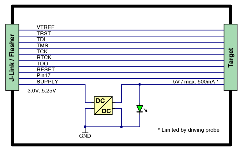
SEGGER Microcontroller 5V Target Supply Adapter Board offers a supply voltage of 5V to the target board. The 5V Target Supply Adapter Board features a standard 20-pin 0.1" socket towards J-Link or Flasher and a standard 20-pin 0.1" header on the target side. The board is intended to be directly inserted between the J-Link or Flasher and the debug cable, maintaining a 1:1 connection of all debug signals.The SEGGER Microcontroller 5V Target Supply Adapter Board has a fixed 5V supplied to the target board through a 19 pin debug cable.
Specifications
- 5V +/- 5% Output voltage
- 5V / 500mA Output current
- Max. output current depends on the power capability of the driving unit
- Operation on typical J-Link (4.5V / 300mA max.) of 5V / 220mA
- 220uF Max. capacitive load
- 2ms to 6ms Ramp time (output)
Schematic
Overview
Publicado: 2021-10-28
| Actualizado: 2022-03-11
