ABLIC S-UM65x High-Voltage Analog Switches

ABLIC S-UM65x High-Voltage Analog Switches are low-charge injection 32-channel Single-Pole Single-Throw (SPST) devices with 2A peak analog signal current per channel. These switches feature 0V to ±100V analog signal voltage range allowing up to ±150V voltage overshoot. The S-UM65x switches also feature a 15pC charge injection to 1000pF, a -60dB switch crosstalk, and a 1.8V to 5V CMOS logic interface. These analog switches include a user-selectable serial digital interface (32-bit shift registers) or bank interface (4 banks of 8-channel). The S-UM65x switches consist of a user-selectable 40kΩ bleed resistor on the probe side. These switches operate only by a single 5V voltage for ultrasound imaging applications.

Features

  • 2A peak analog signal current per channel
  • 0V to ±100V analog signal voltage range allowing up to ±150V voltage overshoot
  • 15pC charge injection to 1000pF
  • -60dB switch crosstalk
  • 1.8V to 5V CMOS logic interface
  • User-selectable serial digital interface (32-bit shift registers) or bank interface (4 banks of 8-channel)
  • User-selectable 40kΩ bleed resistor on the probe side
  • Low on/off capacitance
  • Low power dissipation (static 5mW)
  • Embedded thermal protection with flag indicator
  • Operates on a single 5V supply voltage
  • S-UM6523:
    • 10kHz to 70MHz analog signal frequency range
    • 8Ω switch on-resistance
    • -70dB off-isolation at analog small-signal 5MHz
    • RoHS compliant 9mm x 9mm BGA package
  • S-UM6524:
    • 10kHz to 75MHz analog signal frequency range
    • 4Ω switch on-resistance
    • -75dB off-isolation at analog small-signal 5MHz
    • RoHS compliant 13mm x 13mm BGA package
  • S-UM6532:
    • 10kHz to 70MHz analog signal frequency range
    • 6Ω switch on-resistance
    • -75dB off-isolation at analog small-signal 5MHz
    • RoHS compliant 15mm x 15mm BGA package
  • 4W maximum power dissipation

Applications

  • Ultrasound imaging

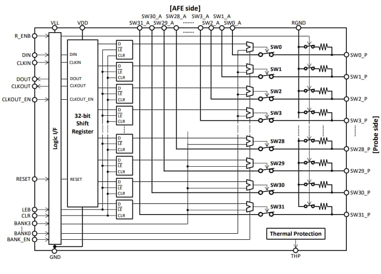
S-UM6523/S-UM6524 Block Diagram

Block Diagram - ABLIC S-UM65x High-Voltage Analog Switches

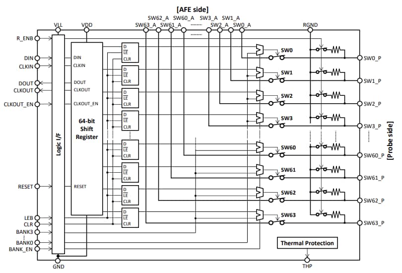
S-UM6532 Block Diagram

Block Diagram - ABLIC S-UM65x High-Voltage Analog Switches
Publicado: 2024-09-25 | Actualizado: 2024-10-18