Texas Instruments LMX1204 JESD Buffer/Multiplexer/Divider

Texas Instruments LMX1204 JESD Buffer/Multiplexer/Divider has a high-frequency capability and extremely low jitter. This feature makes it a great approach to clock precision and high-frequency data converters without degradation to the signal-to-noise ratio. Each of the four high-frequency clock outputs and additional LOGICLK output, with a larger divider range, is paired with a SYSREF output clock signal. The SYSREF signal for JESD interfaces can either be internally generated or passed in as an input and re-clocked to the device clocks. For data converter clocking applications, having the clock jitter be less than the aperture jitter of the data converter is critical. In applications where more than four data converters must be clocked, various cascading architectures can be developed using multiple devices to distribute all the high-frequency clocks and SYSREF signals required. With a low jitter and noise floor, the Texas Instruments LMX1204, combined with an ultra-low noise reference clock source, is an exemplary selection for clocking data converters, especially when sampling above 3GHz.

Features

  • 300MHz to 12.8GHz output frequency
  • Ultra-low noise
    • Noise floor of –161dBc/Hz at 6GHz output
    • 1/f Noise of –154dBc/Hz at 6GHz output, 10kHz offset
    • 5fs jitter (12kHz to 20MHz)
    • < 30fs additive jitter (DC to fCLK)
  • Four high-frequency clocks with corresponding SYSREF outputs
    • Shared divider that supports ÷1 (buffer mode), ÷2, 3, 4, 5, 6, 7, and 8
    • Shared PLL-based multiplier that supports x1 (filter mode), x2, x3, and x4
  • LOGICLK and corresponding SYSREF outputs
    • On a separate divided bank
    • ÷1, 2, 4 pre-divider
    • ÷1 (bypass), 2, …, 1023 post divider
  • Eight programmable output power levels
  • Synchronized SYSREF clock outputs
    • 508 delay step adjustments of less than 2.5ps each at 12.8GHz
    • Generator and repeater modes
    • Windowing feature for SYSREFREQ pins to optimize timing
  • SYNC feature to all divides and multiple devices
  • 2.5V operating voltage
  • –40ºC to 85ºC operating temperature

Applications

  • Test and measurement
    • Oscilloscope
    • Wireless equipment testers
    • Wideband digitizers
  • General purpose
    • Data converter clocking
    • Clock buffer distribution/division
  • Aerospace and defense
    • Radar
    • Electronic warfare
    • Seeker front end
    • Munitions
    • Phase array antenna/beam forming

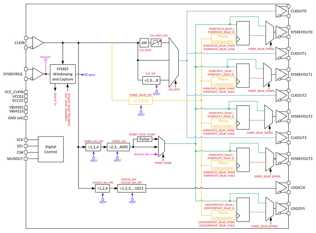
Functional Block Diagram

Block Diagram - Texas Instruments LMX1204 JESD Buffer/Multiplexer/Divider
Publicado: 2024-06-21 | Actualizado: 2024-06-25