Littelfuse LF5346x-08TMR Omnipolar Magnetic Sensors
Littelfuse LF5346x-08TMR Omnipolar Magnetic Sensors are advanced Tunneling Magnetoresistance (TMR) angle sensors designed for high-precision magnetic field detection in demanding applications. These LF5346x-08TMR sensors offer omnipolar operation, meaning they can detect both north and south magnetic poles with equal sensitivity, enhancing design flexibility and simplifying system integration. With ultra-low power consumption and high sensitivity, the LF53464-08TMR and LF53466-08TMR models are ideal for battery-powered and compact devices. These Littelfuse sensors feature a wide operating voltage range and robust performance across temperature extremes, making the devices suitable for use in automotive systems, industrial automation, and consumer electronics. A compact form factor and high reliability also support applications such as rotary encoders, contactless switches, and position sensing in harsh environments.Features
- TMR technology
- X-Y axis sensing direction
- Wide range power supply voltage
- Differential output
- Excellent thermal stability
- 0° to 360° angle measurement
- RoHS and REACH compliant
- LF53464-08TMR
- Wider airgap capability
- Operates with smaller magnets for cost reduction
- LF53466-08TMR
- Two bridges in one package
- High precision measurement
Applications
- Rotary and linear position sensing
- Contactless switches
- Smart locks
- Lid sensors
- Industrial automation
- Robotic joint angle feedback
- Conveyor position tracking
- Proximity detection in machinery
- Battery-powered devices
- Portable tools
- Wearables
- Smart home gadgets
- Angle detection systems
- Robotics
- Automation
- Automotive systems
- Gear position sensing
- Pedal position detection
- Steering angle monitoring
- Consumer electronics
- Lid closure detection in laptops and tablets
- Magnetic docking stations
- Smart appliance controls
Specifications
- LF53464-08TMR
- Up to 7V supply range
- 340mV typical peak voltage
- ±20mV/V offset voltage
- 100kΩ to 190kΩ bridge resistance range
- 200G to 800G omnipolar magnetic dynamic range
- 3000G maximum magnetic field
- 0.6° typical angular error
- 4000V maximum Human Body Model (HBM) ESD performance
- -40°C to +85°C operating temperature range
- LGA8L package
- LF53466-08TMR
- 1.0V to 5.5V supply range
- 300mV typical output peak voltage
- 600mV typical output peak-to-peak voltage
- ±5mV/V offset voltage
- 3kΩ to 7kΩ bridge resistance range
- 200G to 800G omnipolar magnetic dynamic range
- 4000G maximum magnetic field
- 0.8° typical angular error
- Maximum ESD performance
- 4000V Human Body Model (HBM)
- 750V Charged-Device Model (CDM)
- -40°C to +150°C operating temperature range
- TSSOP8 package
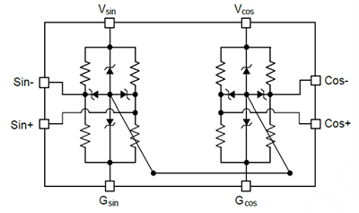
Functional Block Diagram
Videos
Publicado: 2025-05-29
| Actualizado: 2025-10-31
