STMicroelectronics L6982 Synchronous Step-down Converters

STMicroelectronics L6982 Synchronous Step-down Converters are easy-to-use monolithic regulators capable of delivering up to 2A DC to the load. The L6982 features a wide input voltage range of 3.5V to 38V, making the device suitable for a broad range of applications.

The STM L6982 Synchronous Step-down Converter offers both a low consumption mode (LCM) and a low noise mode (LNM) version. LCM maximizes the efficiency at light-load with a controlled output voltage ripple, so the device is suitable for battery-powered applications. LNM makes the switching frequency constant and minimizes the output voltage ripple for light load operations, meeting the specification for low noise-sensitive applications.

The L6982 has a peak current mode architecture and is available in a SO-8L package with internal compensation, minimizing design complexity and size.

Features

  • 3.5V to 38V operating input voltage
  • Output voltage from 0.85V to VIN
  • 2A DC output current
  • Internal compensation network
  • Two different versions, LCM for high efficiency at light-loads and LNM for noise sensitive applications
  • 2uA shutdown current
  • Internal soft-start
  • Enable
  • Overvoltage protection
  • Output voltage sequencing
  • Thermal protection
  • Synchronization to external clock for LNM devices
  • SO 8L package

Applications

  • Designed for 24V buses industrial power systems
  • 24V battery powered equipment
  • Decentralized intelligent nodes
  • Sensors and always-on applications
  • Low noise applications

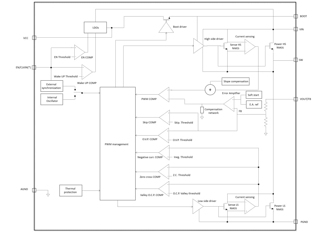
Block Diagram

Block Diagram - STMicroelectronics L6982 Synchronous Step-down Converters

Basic Application (Adjustable)

STMicroelectronics L6982 Synchronous Step-down Converters

Videos

Publicado: 2021-04-29 | Actualizado: 2023-01-24