STMicroelectronics STEVAL-MKI224V1 LPS22DF Adapter Board

STMicroelectronics STEVAL-MKI224V1 LPS22DF Adapter Board is configured to evaluate the operation of the LPS22DF MEMS devices. The STEVAL-MKI224V1 is designed to be an effective solution for fast system prototyping and device evaluation directly within an application.

The STM STEVAL-MKI224V1 LPS22DF Adapter Board plugs into a standard DIL24 socket and provides the complete LPS22DF pinout. The board is ready-to-use with the required decoupling capacitors on the VDD power supply line.

The adapter board is supported by the STEVAL-MKI109V3 motherboards that include a high-performance 32-bit microcontroller functioning as a bridge between the sensor and a PC. Users can choose downloadable graphical user interface (Unico-GUI) or dedicated software routines for customized applications. Ideally, the STEVAL-MKI224V1 adapter board connects to an X-NUCLEO-IKS01A3 expansion board using Unicleo-GUI.

Features

Overview

STMicroelectronics STEVAL-MKI224V1 LPS22DF Adapter Board

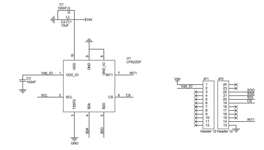
Circuit Schematic

Schematic - STMicroelectronics STEVAL-MKI224V1 LPS22DF Adapter Board
Publicado: 2022-03-11 | Actualizado: 2024-04-26