TDK-Lambda RGB DC-DC Step-Down Converters
TDK-Lambda RGB DC-DC Step-Down Converters are non-isolated DC-DC converters that feature a high 750W power density within a 1/16th brick-pin-out package. The converters are encapsulated in a five-sided aluminum case, which improves EMI rating. The RGB series is qualified for MIL-STD-810G for shock and vibration, making them suitable for fanless, conduction-cooled applications. The converters provide a wide input voltage range and an output voltage adjustment capability to support multiple system voltages. The TDK-Lambda RGB DC-DC Step-Down Converters offer various integrated features, including remote on/off, remote sense, output trim, and adjustable output current limit. The RGB DC-DC converters are a versatile solution for various power industries such as commercial off-the-shelf (COTS), communication, broadcast, robotics, and test and measurement.Features
- Up to 750W power capacity in 1/16th brick-pin-out package
- Encapsulated five-sided metal case improves EMI
- Rugged deployment in harsh environments
- Suitable against high shock and vibration exposure
- Up to 98.5% efficiency
- Low power consumption results in long battery life
- Wide output voltage adjustment
- One part supports multiple system voltages
- Wide input voltage range
- Operates from different DC input source voltages
- Adjustable current limit reduces stress on the input source, converter, and load
Applications
- Industrial
- COTS
- Test and measurement
- Communications
- Broadcasting
- Robotics
Specifications
- 9V to 60V input voltage range
- 0.8V to 24V output voltage range
- 33A to 60A max current range
- 400W to 750W max power range
- 330kHz switching frequency
- -40°C to +115°C operating temperature range
- -55°C to +125°C storage temperature range
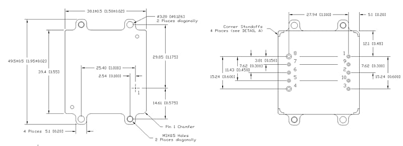
- 38.1mm x 49.5mm x 13mm dimensions
- CE, UKCA certified
- RoHS compliant
Typical Application Circuit
Mechanical Drawing
Publicado: 2024-06-25
| Actualizado: 2024-08-15
