Texas Instruments AMC030xR Isolated Amplifiers

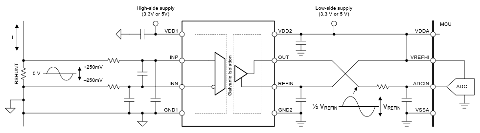
Texas Instruments AMC030xR Isolated Amplifiers are precision, galvanically isolated amplifiers with a ±250mV, differential input and single-ended, ratiometric output. These amplifiers have an input optimized for direct connection to a shunt resistor or other low-impedance signal source. The AMC030xR amplifier's output is designed to connect directly to the ADC input. These amplifiers operate over the temperature range from -40°C to 125°C. The AMC030xR amplifiers are available in 8-pin wide- and narrow-body SOIC packages. These isolated amplifiers are ideal for industrial motor drives, frequency inverters, server Power Supply Units (PSU), and Power Factor Correction (PFC).

Features

  • ±250mV linear input voltage range
  • Supply voltage range:
    • 3V to 5.5V high-side (VDD1)
    • 3V to 5.5V low-side (VDD2)
  • Single-ended, ratiometric output 2.7V to 5.5V reference input
  • Low DC errors:
    • ±0.2mV (maximum) offset error
    • ±3µV/°C (maximum) offset drift
    • ±0.25% (maximum) gain error
    • ±35ppm/°C (maximum) gain drift
    • 0.04% (maximum) nonlinearity
  • 150V/ns (minimum) high CMTI 
  • Low EMI meets CISPR-11 and CISPR-25 standards
  • AMC0300R reinforced isolation basic isolation rating
  • Safety-related certifications:
    • DIN EN IEC 60747-17 (VDE 0884-17)
    • UL1577
  • -40°C to 125°C fully specified over the extended industrial temperature range

Applications

  • Industrial motor drives
  • Frequency inverters
  • Server Power Supply Units (PSU)
  • Power Factor Correction (PFC)

Block Diagram

Block Diagram - Texas Instruments AMC030xR Isolated Amplifiers

Application Diagram

Application Circuit Diagram - Texas Instruments AMC030xR Isolated Amplifiers
Publicado: 2026-02-02 | Actualizado: 2026-03-05