Texas Instruments AMC1336/AMC1336-Q1 Isolated Delta-Sigma Modulators
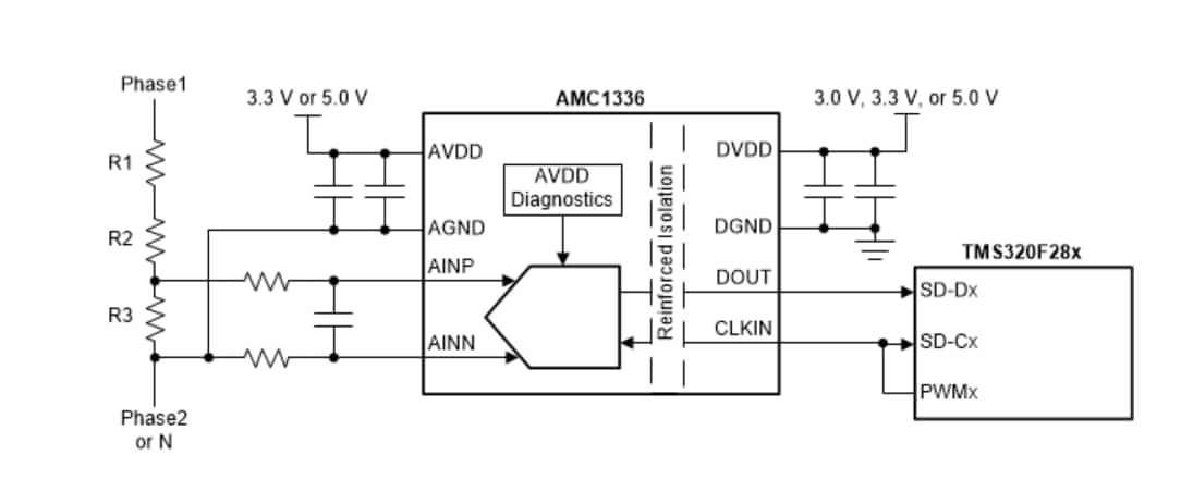
Texas Instruments AMC1336/AMC1336-Q1 Reinforced Isolated Delta-Sigma Modulators offer an output separated from the input circuitry by a capacitive double isolation barrier highly resistant to magnetic interference. This barrier is certified to provide reinforced isolation of up to 8000 VPEAK according to the DIN VDE V 0884-11 and UL1577 standards. The AMC1336/AMC1336-Q1 modulators separate system parts that operate on different common-mode voltage levels and protect lower-voltage parts from damage when used with other isolated power supplies.The AMC1336 Reinforced Isolated Delta-Sigma Modulators have a unique wide, bipolar ±1V input voltage range with a high input resistance that supports the direct connection of the device to resistive dividers in high-voltage applications. When used with a digital filter such as the TMS320F28004x, TMS320F2807x, or TMS320F2837x microcontroller families to decimate the output bitstream, the device can achieve 16 bits of resolution with a dynamic range of 87dB at a data rate of 82kSPS.
The AMC1336 is supplied by a 3.3V or 5V power supply on the high side and operates from a 3.0V, 3.3V, or 5V power supply from the isolated digital interface. The AMC1336 Modulator's performance is specified over the extended industrial temperature range of –40°C to +125°C. The Texas Instruments AMC1336-Q1 devices are AEC-Q100 qualified for automotive applications.
Features
- Input structure optimized for voltage measurements
- Input voltage range: ±1V
- Input resistance: 1.5GΩ (typ)
- Excellent DC performance:
- Offset error: ±0.5mV (max)
- Offset drift: ±4µV/°C (max)
- Gain error: ±0.25% (max)
- Gain drift: ±40ppm/°C (max)
- Transient immunity: 115kV/µs (typ)
- Missing high-side supply detection
- Safety-related certifications:
- 8000VPEAK reinforced isolation per DIN VDE V 0884-11: 2017-01
- 5700VRMS isolation for 1 minute per UL1577
- IEC 62368-1 end equipment standard
Applications
- Isolated AC and DC voltage measurement in:
- Uninterruptible power supplies
- Photovoltaic inverters
- Motor drives
Datasheets
Functional Diagram
