Texas Instruments bq78350 Battery Management Controller

Texas Instruments bq78350 Li-Ion & LiFePO4 Battery Management Controller and companion to the bq769x0 family of Analog Front End (AFE) protection devices provides a comprehensive set of Battery Management System (BMS) subsystems. These devices help to accelerate product development for faster time-to-market.

The bq78350 controller and the bq769x0 AFE support from 3-series to 15-series cell applications. The bq78350 provides an accurate fuel gauge and state-of-health (SoH) monitor, as well as cell balancing and a full range of voltage, current, and temperature-based protection features. The Texas Instruments bq78350 offers optional LED or LCD display configurations for capacity reporting. It also makes data available over its SMBus 1.1 interface. Battery history and diagnostic data is kept within the device in non-volatile memory and is available over the same interface.

Features

  • Compensated End-of-Discharge Voltage (CEDV) Gauging Algorithm
  • Supports SMBus Host Communication
  • Supports Battery Configurations up to 320Ahr
  • Supports Charge and Discharge Current Reporting up to 320A
  • External NTC Thermistor Support from Companion AFE
  • Full-Array of Programmable Protection Features
    • Voltage
    • Current
    • Temperature
    • System Components
  • Lifetime Data Logging
  • Flexible Configuration for 3- to 5-Series (bq76920), 6- to 10-Series (bq76930), and 9- to 15-Series (bq76940) Li-Ion and LiFePO4 Batteries
  • Supports CC-CV Charging, Including Precharge, Charge Inhibit, and Charge Suspend
  • Offers an Optional Resistor Programmable SMBus Slave Address for up to Eight Different Bus Addresses
  • Drives up to a 5-Segment LED or LCD Display for State-Of-Charge Indication
  • Provides SHA-1 Authentication

Applications

  • Light Electric Vehicles (LEVs): eBikes, eScooters, Pedelec, and Pedal-Assist Bicycles
  • Battery Backup and Uninterruptible Power Supply (UPS) Systems
  • Power and Gardening Tools
  • Wireless Base Station Backup Systems
  • Telecom Power Systems

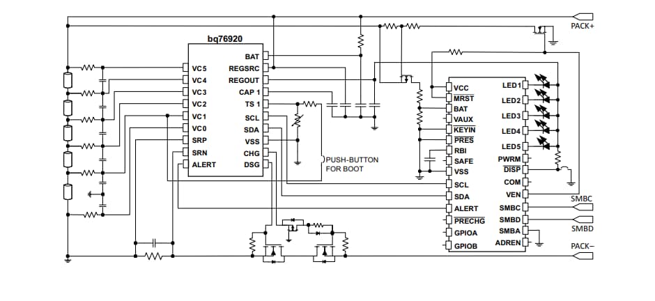
Schematic

Schematic - Texas Instruments bq78350 Battery Management Controller
View Results ( 4 ) Page
N.º de artículo Hoja de datos Paquete / Cubierta Serie Tipo de batería
BQ78350DBT-R1A BQ78350DBT-R1A Hoja de datos TSSOP-30 BQ78350-R1A Lithium Iron Phosphate (LiFePO4), Lithium-ion, Lithium Polymer
BQ78350DBTR-R1A BQ78350DBTR-R1A Hoja de datos TSSOP-30 BQ78350-R1A Lithium Iron Phosphate (LiFePO4), Lithium-ion, Lithium Polymer
BQ78350DBT BQ78350DBT Hoja de datos TSSOP-30 BQ78350 Lithium Iron Phosphate (LiFePO4), Lithium-ion, Lithium Polymer
BQ78350DBTR BQ78350DBTR Hoja de datos TSSOP-30 BQ78350
Publicado: 2014-09-19 | Actualizado: 2022-03-11