Texas Instruments INA296x/INA296x-Q1 Current Sense Amplifiers
Texas Instruments INA296x/INA296x-Q1 Ultraprecise Current Sense Amplifiers measure voltage drops across shunt resistors over a wide -5V to 110V common-mode range, independent of the supply voltage. High-precision current measurements result from a combination of a low offset voltage (±10µV maximum) and a high DC CMRR (typical 166dB) with a small gain error (±0.01% maximum). The bidirectional INA296x/INA296x-Q1 is designed for high-voltage DC measurements and high-speed applications (such as transient detection and fast overcurrent protection) with a high 1.1MHz signal bandwidth and fast settling time.INA296x/INA296x-Q1 amplifiers operate over a -40°C to +125°C temperature range from a single 2.7V to 20V supply while drawing a 2.5mA supply current. Gain options include 10V/V, 20V/V, 50V/V, 100V/V, and 200V/V. The multiple gain options allow for optimization between the available shunt resistor values and wide output dynamic range requirements. Texas Instruments INA296x/INA296x-Q1 current sense amplifiers are available in 8-pin SOT-23 (2.90mm x 1.60mm) or 8-pin VSSOP (3.00mm2) packages. The INA296x-Q1 devices are AEC-Q100 qualified for automotive applications.
Features
- Wide common-mode voltage ranges
- -5V to +110V operating
- -20V to +120V survival
- Bidirectional operation
- High 1.1MHz small signal bandwidth (at all gains)
- Maximum accuracy
- Gain error
- ±0.01%, ±1ppm/°C drift for Version A
- ±0.1%, ±5ppm/°C drift for Version B
- Offset voltage
- ±10µV, ±0.1µV/°C drift for Version A
- ±150µV, ±0.5µV/°C drift for Version B
- Gain error
- 8V/µs slew rate
- 1µs step response settling time to 1%
- Excellent 166dB CMRR
- Available gains
- 10V/V for INA296x1
- 20V/V for INA296x2
- 50V/V for INA296x3
- 100V/V for INA296x4
- 200V/V for INA296x5
- SOT23-8 and VSSOP-8 package styles
Applications
- 48V DC/DC converters
- 48V Battery Management Systems (BMS)
- Test and measurement
- Macro Remote Radio Units (RRUs)
- 48V rack servers
- 48V merchant network/server power supplies
Specifications
- -5V to 110V common mode voltage range
- ±10µV maximum input offset
- ±0.1µV/C typical input offset drift
- 10V/V, 20V/V, 50V/V, 100V/V, and 200V/V gain options
- 0.01% gain error
- ±1ppm/°C maximum gain error drift
- 150dB minimum CMRR
- 1100kHz bandwidth
- 2.7V to 20V supply voltage range
- 3mA maximum Iq
- -40°C to +125°C operating temperature range
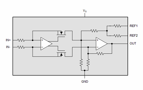
Functional Block Diagram
Publicado: 2022-11-18
| Actualizado: 2025-08-22
