Texas Instruments LM5127-Q1 Triple Buck & Boost Controller

Texas Instruments LM5127-Q1 Triple Buck & Boost Controller is a full-featured, wide input range three-channel DC/DC controller that supports flexible topology (Boost/Buck) with peak current mode control. The device is designed as an integrated one-chip solution for the front-stage power supply in automotive infotainment, cluster, body control as well as ADAS systems. The input voltage range covers both automotive cold-cranking and load dump scenarios. The switching frequency is dynamically programmed in the 100kHz to 2.2MHz range, with an external resistor. Switching at 2.2MHz minimizes AM band interference and allows for a small solution size and fast transient response.

The Texas Instruments LM5127-Q1 features a low shutdown IQ and an ultra-low IQ sleep mode, which minimizes battery drain at no/light load condition and eliminates the need for an additional low IQ LDO regulator as the CAN supply during standby. The device includes flexible topology channels that support boost or SEPIC and two independent single-phase bucks or a dual-phase buck to serve as a high current automotive processor supply. In boost mode, the device supports bypass operation, which eliminates the need for an external bypass switch. In buck mode, the device supports low dropout operation to minimize dropout voltage. The battery monitor detects low battery voltage and signals when a backup process should start.

Minimal power dissipation is realized, with a low current limit threshold and the use of an external VCC supply. The device has built-in protection features such as peak current limit, which is constant over VIN, optional hiccup mode overload protection, overvoltage protection, and thermal shutdown. External clock synchronization, programmable spread spectrum switching frequency, as well as a leadless package with minimal parasitics help to reduce EMI and avoid cross-talk. Additional features include FPWM, DCR sensing, programmable soft-start, a precision reference, and power-good indicators.

Features

  • AEC-Q100 qualified for automotive applications
    • –40°C to +125°C, TA temperature grade 1
  • Functional Safety-Capable
    • Documentation available to aid functional safety system design
  • Suited for various architectures and scalable
    • Triple-output synchronous controllers
    • Flexible topology
      • CH1: boost/buck topology
      • CH2, CH3: two single-phase bucks/dual-phase interleaved buck topology
    • Enable pin and PGOOD indicator per channel
    • Optional low IQ battery monitor
  • A wide operating range for automotive applications
    • 3.8V to 42V input operating range
    • Minimum boost input 0.8V when BIAS ≥ 3.8V
    • Boost output: adjustable up to 42V
    • Buck output: fixed 3.3V, 5V, or adj. 0.8V to 42V
    • Bypass operation when VSUPPLY > VLOAD (boost)
    • LDO operation when VSUPPLY ≈ VLOAD (buck)
  • Minimized battery drain
    • Shutdown current ≤ 2.8µA
    • Automatic transition to low-IQ sleep mode
    • Battery drain in sleep
      • IQ ≤ 14µA when 3.3V buck on
      • IQ ≤ 22µA when 3.3V and 5V bucks on
      • IQ ≤ 32µA when 3.3V, 5V bucks on and boost in bypass
    • High efficiency using strong 5V drivers
    • Dual input VCC and VDD regulators
  • Small and cost-effective solution
    • Maximum switching frequency 2.2MHz
    • Internal boot diode (boost)
    • Constant peak current limit
    • Supports DCR inductor current sensing
    • QFN-48 with wettable flanks
  • Avoid AM band interference and crosstalk
    • Optional clock synchronization
    • Switching frequency from 100kHz to 2.2MHz
    • Selectable switching mode (FPWM, diode emulation, and skip mode)
  • EMI mitigation
    • Optional programmable spread spectrum
  • Programmability and flexibility
    • Programmable wake-up and sleep threshold
    • Dynamic switching frequency programming
    • Adjustable soft-start time
    • Adjustable output using 0.8V ±1% reference
    • Adaptive dead-time control
  • Integrated protection features
    • Overcurrent protection
      • Cycle-by-cycle peak current limit
      • Optional hiccup mode protection (buck)
      • Optional latch-off mode protection (buck)
    • Overvoltage protection
    • HB-SW short-protection (boost)
    • Thermal shutdown

Applications

  • Automotive infotainment/cluster
  • Automotive body electronics/lighting
  • Automotive ADAS

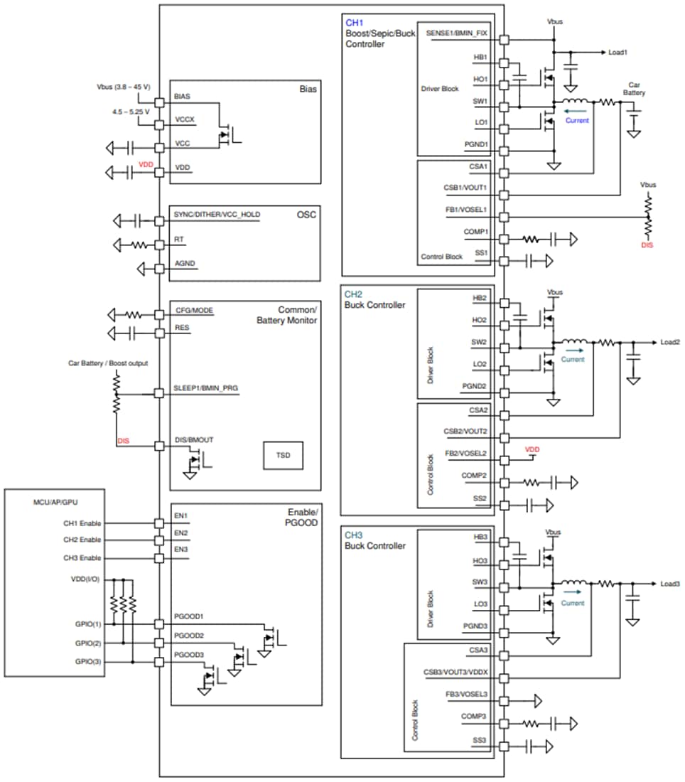
Functional Block Diagram

Block Diagram - Texas Instruments LM5127-Q1 Triple Buck & Boost Controller
Publicado: 2021-01-19 | Actualizado: 2022-03-11