Texas Instruments LMG3522R030/LMG3522R030-Q1 650V 30mΩ GaN FETs
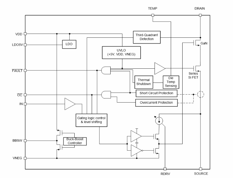
Texas Instruments LMG3522R030/LMG3522R030-Q1 650V 30mΩ GaN FETs include an integrated driver and protection for switch-mode power converters. The LMG3522R030/LMG3522R030-Q1 integrates a silicon driver that allows switching speeds up to 150V/ns. The device implements TI’s integrated precision gate bias, resulting in higher switching SOA than discrete silicon gate drivers. This integration, combined with TI’s low-inductance package, supplies clean switching and minimal ringing in hard-switching power supply topologies. An adjustable gate drive strength permits control of the slew rate from 20V/ns to 150V/ns, which can be used to control EMI and optimize switching performance actively.The TI LMG3522R030/LMG3522R030-Q1 650V 30mΩ GaN FETs have advanced power management features, including digital temperature reporting and fault detection. Faults reported include overtemperature, overcurrent, and UVLO monitoring. The LMG3522R030-Q1 devices are AEC-Q100 qualified for automotive applications.
Features
- 650V GaN-on-Si FET with integrated gate driver
- Integrated high precision gate bias voltage
- 200V/ns FET hold-off
- 2MHz switching frequency
- 20V/ns to 150V/ns slew rate for optimization of switching performance and EMI mitigation
- Operates from 7.5V to 18V supply
- Advanced power management
- Digital temperature PWM output
- Robust protection
- Cycle-by-cycle overcurrent and latched short-circuit protection with <100ns response
- Withstands 720V surge while hard-switching
- Self-protection from internal overtemperature and UVLO monitoring
- Top-side cooled 12mm x 12mm VQFN package separates electrical and thermal paths for lowest power loop inductance
Applications
- Switch-mode power converters
- Merchant network and server PSU
- Merchant telecom rectifiers
- Solar inverters and industrial motor drives
- Uninterruptable power supplies
Datasheets
Simplified Block Diagram
Functional Block Diagram
Publicado: 2022-12-20
| Actualizado: 2023-09-07
