Texas Instruments LMR140x0/LMR140x0-Q1 Step-Down Regulators
Texas Instruments LMR140x0/LMR140x0-Q1 Step-Down Regulators are 40V 2A (LMR14020), 3.5A (LMR14030) or 5.0A (LMR14050) step-down regulators with an integrated high-side MOSFET. With a wide input range from 4V to 40V, they are suitable for various applications from industrial to automotive for power conditioning from unregulated sources. The regulator's quiescent current is 40µA in Sleep-mode, which is suitable for battery powered systems. An ultra-low 1µA current in shut-down mode can further prolong battery life. A wide adjustable switching frequency range allows either efficiency or external component size to be optimized. Internal loop compensation means that the user is free from the tedious task of loop compensation design. This also minimizes the external components of the device. The LMR140x0-Q1 devices are AEC-Q100 qualified for automotive applications.Features
- 4V to 40V input range
- Available with 2A (LMR14020), 3.5A (LMR14030) or 5.0A (LMR14050) continuous output current
- Ultra-low 40µA operating Quiescent current
- 90mΩ high-side MOSFET
- Minimum switch-on time: 75ns
- Current mode control
- Adjustable switching frequency from 200kHz to 2.5MHz
- Frequency synchronization to external clock
- Internal compensation for ease of use
- High duty cycle operation supported
- Precision enable input
- 1µA shutdown current
- External soft-start
- Thermal, overvoltage, and short protection
- 8-Pin HSOIC with PowerPAD™ package
Applications
- Automotive battery regulation
- Industrial power supplies
- Telecom and datacom systems
- Battery powered system
Videos
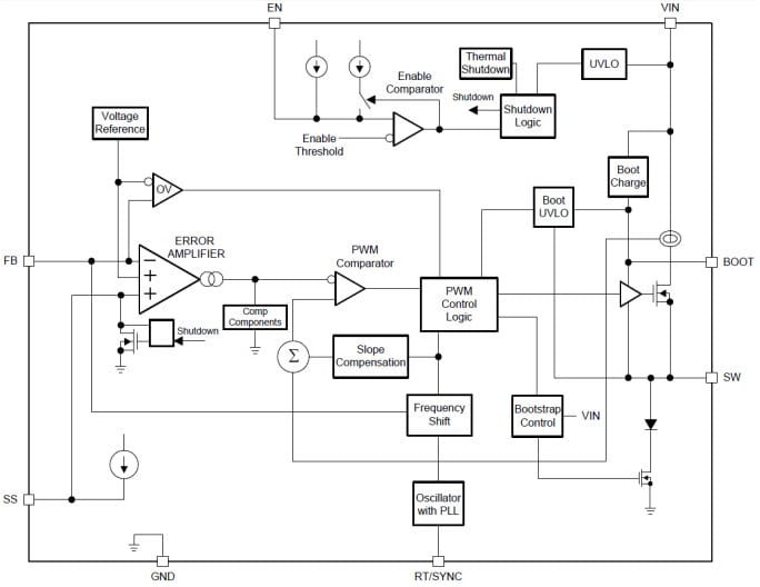
Functional Block Diagram
Additional Resources
Publicado: 2015-03-23
| Actualizado: 2022-03-11
