Texas Instruments LP873220/LP873220-Q1 Converters & Regulators

Texas Instruments LP873220/LP873220-Q1 Dual High-Current Buck Converters and Linear Regulators are ideal for meeting automotive camera and radar application requirements. The LP873220/LP873220-Q1 consists of two step-down DC-DC converters, two linear regulators, and general-purpose digital-output signals. The device supports load-current measurement without the addition of external current-sense resistors. Features include an input voltage of 2.8V to 5.5V, a configurable general-purpose output signal (GPO, GPO2), and an operating temperature range of –40°C to +125°C. The LP873220/LP873220-Q1 devices are AEC-Q100 qualified for automotive applications.

The LP873220/LP873220-Q1 is controlled by an I2C-compatible serial interface and by an enable signal. An automatic PWM/PFM (AUTO mode) operation gives high efficiency over a wide output current range. The device improves the accuracy of the output voltage by remote voltage sensing, compensating for the IR drop between the regulator output and the point-of-load (POL). The switching clock can be forced to PWM mode and also synchronized to an external clock to minimize the disturbances.

Features

  • 2.8V to 5.5V Input voltage
  • Two high-efficiency step-down DC-DC converters:
    • 0.7V to 3.36V Output voltage
    • Maximum output current 2A
    • Programmable output-voltage slew rate from 0.5mV/µs to 10mV/µs
    • 2MHz Switching frequency
    • Spread-spectrum mode and phase interleaving for EMI reduction
  • Two linear regulators:
    • 2.5V to 5.5V Input voltage
    • 0.8V to 3.3V Output voltage
    • Maximum output current 300mA
  • Configurable General-Purpose Output Signals (GPO, GPO2)
  • Interrupt function with programmable masking
  • Programmable Power-Good Signal (PGOOD)
  • Output short-circuit and overload protection
  • Overtemperature warning and protection
  • Overvoltage Protection (OVP) and Undervoltage Lockout (UVLO)
  • 28-pin, 5mm × 5mm VQFN Package with wettable flanks
  • (LP873220-Q1) AEC-Q100 Qualified with the following results:
    • Device Temperature Grade 1 at –40°C to +125°C Ambient operating temperature

Applications

  • Automotive head unit and cluster
  • Automotive camera module
  • Surround view system ECU
  • Radar system ECU
  • Automotive display

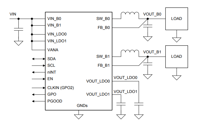
Schematic

Schematic - Texas Instruments LP873220/LP873220-Q1 Converters & Regulators
Publicado: 2018-11-15 | Actualizado: 2023-07-19