Texas Instruments LV14240 SIMPLE SWITCHER® Step-Down Converter

Texas Instruments LV14240 SIMPLE SWITCHER® Step-Down Converter offers a wide input range from 4V to 40V, developed for various industrial and automotive applications with power conditioning from unregulated sources. The 40V, 2A step-down LV14240 regulator has an integrated high-side MOSFET with a wide adjustable switching frequency range for efficiency or an optimized external component size.

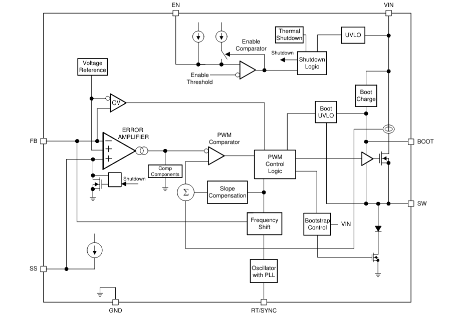
The TI LV14240 Converter features an internal loop compensation that minimizes the external components of the device. A precision enable input permits the simplification of regulator control and system power sequencing. The LV14240 also has built-in protection options such as cycle-by-cycle current limit, thermal sensing, shutdown due to excessive power dissipation, and output overvoltage protection.

Features

  • Newer product available - LMR51420 4.5V to 36V 2A synchronous buck converter
  • For faster time to market - TLVM13620 3.6V to 36V, 2A synchronous buck power module
  • 4V to 40V input range
  • 2A continuous output current
  • 100mΩ high-side MOSFET
  • 100ns minimum on time
  • Current mode control
  • Adjustable switching frequency from 200kHz to 2MHz
  • Frequency synchronization to external clock
  • Internal compensation for ease of use
  • High-duty cycle operation supported
  • Precision enable input
  • 1µA shutdown current
  • External soft start
  • Thermal, overvoltage, and short protection
  • 8-pin SOIC with PowerPAD™ package

Applications

  • Automotive battery regulation
  • Industrial power supplies
  • Telecom and datacom systems

Schematic

Performance Graph - Texas Instruments LV14240 SIMPLE SWITCHER® Step-Down Converter

Functional Block Diagram

Block Diagram - Texas Instruments LV14240 SIMPLE SWITCHER® Step-Down Converter
Publicado: 2024-05-14 | Actualizado: 2024-05-22