Texas Instruments LV14340 Step-Down Converter

Texas Instruments LV14340 Step-Down Converter is a 40V, 3.5A step-down regulator with an integrated high-side MOSFET. The device offers a wide input range from 4V to 40V and is ideal for various industrial and automotive applications for power conditioning from unregulated sources. Furthermore, a wide adjustable switching frequency range enables either efficiency or optimization of the external component size.

The TI LV14340 Converter also has built-in protection options, such as a cycle-by-cycle current limit, thermal sensing, shutdown due to excessive power dissipation, and output overvoltage protection.

The LV14340 is housed in an 8-pin HSOIC with an exposed pad for low thermal resistance.

Features

  • Newer product available - LMR51440 4 to 36V, 4A, 200kHz to 1.1MHz synchronous converter
  • For faster time to market - TLVM13640 3 to 36V, 4A, 200kHz to 2.2MHz power module
  • 4V to 40V input range
  • 3.5A continuous output current
  • 100mΩ high-side MOSFET
  • 100ns minimum on time
  • Current mode control
  • 200kHz to 2MHz adjustable switching frequency
  • Frequency synchronization to external clock
  • Internal compensation for ease of use
  • High-duty cycle operation supported
  • Precision enable input
  • 1µA shutdown current
  • Thermal, overvoltage, and short protection
  • 8-Pin SOIC with PowerPAD™ package

Applications

  • Automotive battery regulation
  • Industrial power supplies
  • Telecom and datacom systems
  • Battery powered systems

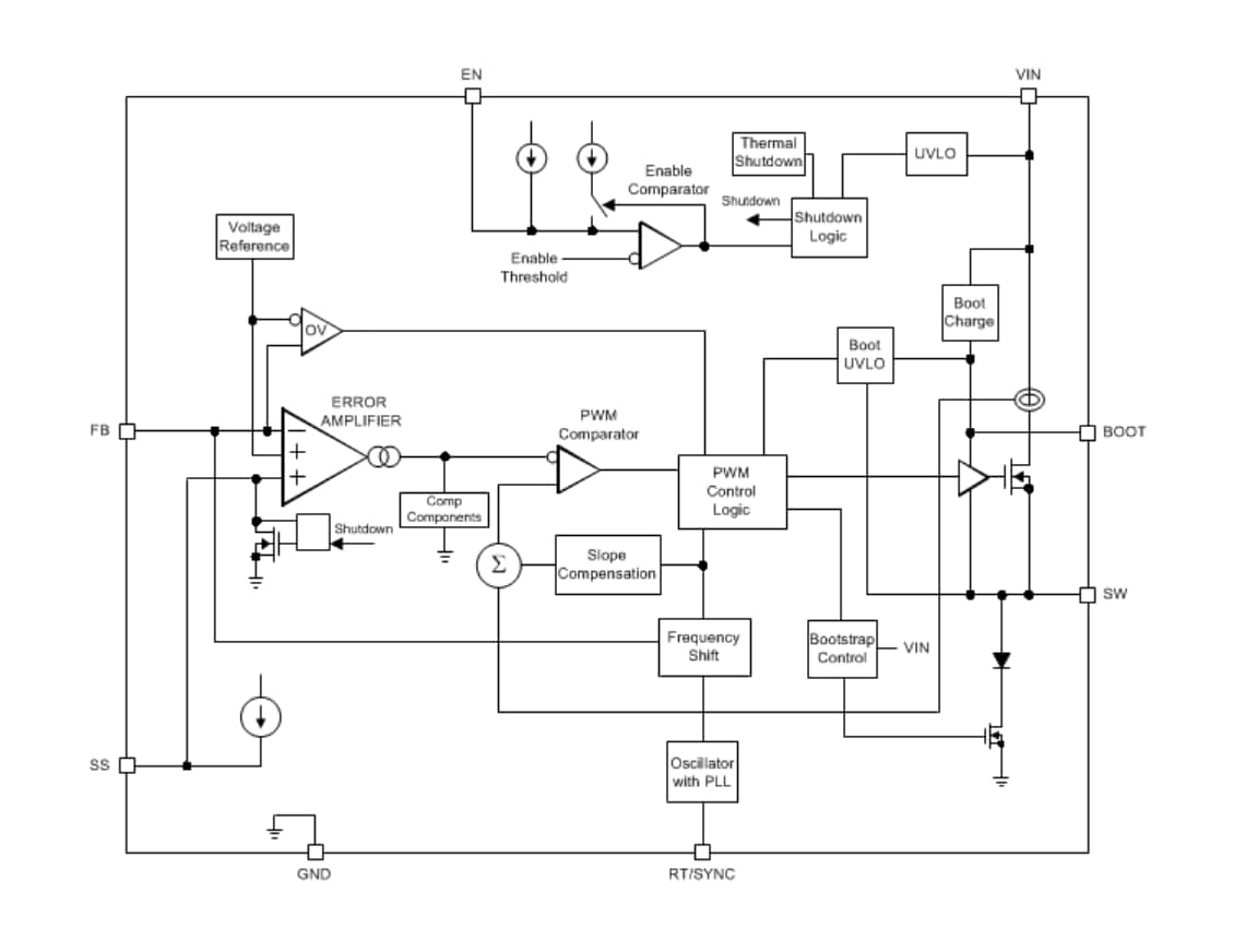
Block Diagram

Block Diagram - Texas Instruments LV14340 Step-Down Converter
Chart - Texas Instruments LV14340 Step-Down Converter
Publicado: 2024-05-13 | Actualizado: 2024-05-23