Texas Instruments SN74CB3T3245 8-Bit FET Bus Switches

Texas Instruments SN74CB3T3245 8-Bit FET Bus Switches are high-speed, TTL-compatible switches with low ON-state resistance (RON) for minimal propagation delay. These bus switches support mixed-mode signal operation on all data I/O ports by providing voltage translation that tracks VCC. The SN74CB3T3245 bus switches feature a standard 245-type pinout, 5V-tolerant I/Os with device powered up or powered down, and output voltage translation tracks. Typical applications include level translation, PCI interface, USB interface, memory interleaving, and bus isolation.

Features

  • Standard 245-type pinout
  • Output voltage translation tracks VCC
  • Supports mixed-mode signal operation on all data I/O ports:
    • 5V input down to 3.3V output level shift with 3.3V VCC
    • 5V/3.3V input down to 2.5V output level shift with 2.5V VCC
  • 5V-tolerant I/Os with device powered up or powered down
  • Bidirectional data flow with near-zero propagation delay
  • Low ON-state resistance (RON) characteristics (RON = 5Ω typical)
  • Low Input, output capacitance minimizes loading (CIO(OFF) = 5pF typical)
  • Data and control inputs provide undershoot clamp diodes
  • Low power consumption (ICC = 40μA maximum)
  • VCC operating range from 2.3V to 3.6V
  • Data I/Os support 0 to 5V signaling levels (0.8V, 1.2V, 1.5V, 1.8V, 2.5V, 3.3V, and 5V)
  • Control inputs can be driven by TTL or 5V/3.3V CMOS outputs
  • Ioff supports partial-power-down mode operation
  • Latch-up performance exceeds 250mA per JESD 17
  • ESD performance tested per JESD 22:
    • 2000V human-body model (A114-B, Class II)
    • 1000V charged-device model (C101)
  • Designed for low-power portable equipment

Applications

  • Level translation
  • PCI interface
  • USB interface
  • Memory interleaving
  • Bus isolation

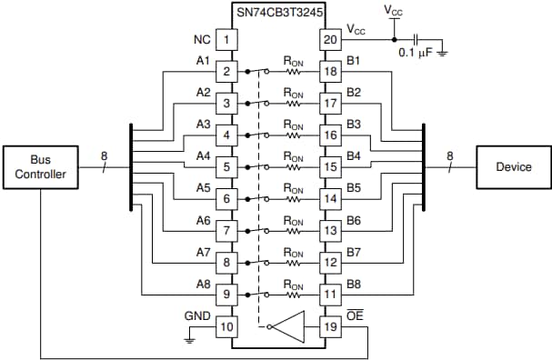
Functional Block Diagram

Block Diagram - Texas Instruments SN74CB3T3245 8-Bit FET Bus Switches

Typical Application Schematic

Schematic - Texas Instruments SN74CB3T3245 8-Bit FET Bus Switches

Typical Characteristics Curve

Performance Graph - Texas Instruments SN74CB3T3245 8-Bit FET Bus Switches
Publicado: 2025-09-29 | Actualizado: 2025-10-13