Texas Instruments SN74HCS166/SN74HCS166-Q1 Shift Registers

Texas Instruments SN74HCS166/SN74HCS166-Q1 8-Bit Parallel-Load Shift Registers contain an 8-bit shift register with one serial input and eight parallel-load inputs. The Texas Instruments SN74HCS166-Q1 devices are AEC-Q100 qualified for automotive applications.

Features

  • 2V to 6V wide operating voltage range
  • Schmitt-trigger inputs allow for slow or noisy input signals
  • ±7.8mA output drive at 6V
  • –40°C to +125°C, TA extended ambient temperature range
  • Low power consumption
    • Typical ICC of 100nA
    • Typical input leakage current of ±100nA

Applications

  • Input expansion
  • 8-bit data storage

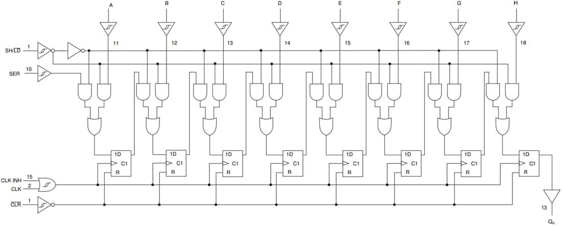
Functional Block Diagram

Block Diagram - Texas Instruments SN74HCS166/SN74HCS166-Q1 Shift Registers
Publicado: 2020-08-11 | Actualizado: 2024-08-01