Texas Instruments THVD1400V Half-Duplex RS-422/RS-485 Transceiver

Texas Instruments THVD1400V Half-Duplex RS-422/RS-485 Transceiver with flexible I/O supply and integrated IEC ESD protection offers 5μA shutdown supply current. This transceiver includes a Slew Rate control pin (SLR) that sets the transceiver in a maximum 20Mbps mode or slew rate limited 500kbps mode. The THVD1400V transceiver features a differential output that exceeds 2.1V for PROFIBUS compatibility with a 5V supply and 1.65V to 5.5V low-level logic interface support. This transceiver is used in factory automation and control, building automation, motor drives, power delivery, industrial transport, HVAC systems, smart meters, and communication infrastructure.

The THVD1400V transceiver meets or exceeds the requirements of the TIA/EIA-485A standard. This transceiver operates from a –40°C to 125°C temperature range and is available in a 3mmx3mm VSON (10-pin) package.

Features

  • Meets or exceeds the requirements of the TIA/EIA-485A standard
  • Differential output exceeds 2.1V for PROFIBUS compatibility with a 5V supply
  • 3V to 5.5V RS-485 supply voltage range
  • 1.65V to 5.5V supply for logic signal interface
  • Half-duplex RS-422/RS-485
  • Maximum data rate configurable:
    • SLR = 500kbps (high)
    • SLR = 20Mbps (low or floating)
  • Bus I/O protection:
    • ±16kV HBM ESD
    • ±12kV IEC 61000-4-2 contact discharge
    • ±12kV IEC 61000-4-2 air gap discharge
    • ±4V IEC 61000-4-4 fast transient burst
    • ±16V bus fault protection (absolute maximum voltage on bus pins)
  • Low power consumption:
    • 5μA shutdown supply current
    • <3mA quiescent current during operation
  • Glitch-free power-up/power-down for hot plug-in capability
  • Open, short, and idle bus failsafe
  • 1/8 unit load (Up to 256 bus nodes)
  • Small thermally efficient 10-pin VSON package (3 mm x 3 mm)

Applications

  • Factory automation and control
  • Power delivery
  • Industrial transport
  • Building automation
  • HVAC systems
  • Motor drives
  • Smart meters
  • Communication infrastructure

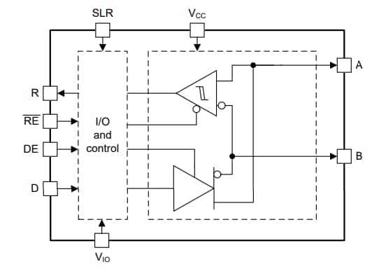
Simplified Application Circuit Diagram

Application Circuit Diagram - Texas Instruments THVD1400V Half-Duplex RS-422/RS-485 Transceiver
Publicado: 2024-01-12 | Actualizado: 2024-01-24