Texas Instruments TLV3802EVM Evaluation Module

Texas Instruments TLV3802EVM Evaluation Module was developed to demonstrate the high-speed dual-channel TLV3802 comparator. The TI TLV3802EVM has layout options intended to evaluate timing performance with different measurement tools simply. The output of the TLV3802 is created for low-voltage differential signals (LVDS), which deliver high-speed signals to interconnect devices such as FPGAs with minimal power dissipation.

Features

  • Low propagation delay
  • Low overdrive dispersion
  • High toggle frequency
  • Narrow pulse width detection capability
  • LVDS output
  • Low input offset voltage
  • WF-DFN Package 12-pin DSS

Applications

  • Distance sensing in LIDAR
  • High-speed trigger function in oscilloscope and logic analyzer
  • Drone vision
  • Time-of-Flight sensors
  • High-speed differential line receiver

Layout

Texas Instruments TLV3802EVM Evaluation Module

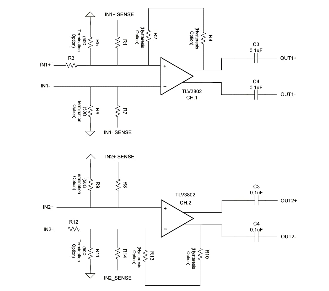
Block Diagram

Block Diagram - Texas Instruments TLV3802EVM Evaluation Module
Publicado: 2024-02-05 | Actualizado: 2024-02-08