Texas Instruments TPS56C231 12A Synchronous Buck Converter

Texas Instruments TPS56C231 12A Synchronous Buck Converter is a small, high-efficiency, synchronous buck converter with an adaptive on-time D-CAP3 control mode. External compensation is not required because the device is easy to use and requires few external components. The device is well-suited for space-constrained data center applications.

The TPS56C231 has competitive features, including a fast load transient response, a very accurate reference voltage, no requirement for external compensation, and an adjustable current limit. Eco-mode and FCCM operation modes are available for selection at light-load conditions through the MODE pin configuration. To attain high efficiency at a light load, Eco-mode can be selected. To support tight output voltage ripple requirements, FCCM can be chosen. The Texas Instruments TPS56C231 operates from a –40°C to 125°C junction temperature range.

Features

  • 4.5V to 17V input range without external bias
  • 3.8V to 17V input range with external bias
  • Supports 12A continuous output current
  • TPS56C231 supports 15A peak current
  • Integrated 7.8mΩ and 3.2mΩ MOSFETs
  • 0.6V ±1% reference voltage across a –40°C to 125°C junction temperature range
  • 0.6V to 5.5V output voltage range
  • 146µA low quiescent current
  • D-CAP3™ control mode for fast transient response
  • Supports ceramic output capacitors
  • Selectable fSW of 400kHz, 800kHz, and 1200kHz
  • Selectable FCCM (forced continuous conduction mode) for tight output voltage ripple
  • Selectable Eco-mode (auto skip mode) for high light-load efficiency
  • Optional external 5V bias for enhanced efficiency
  • Prebiased start-up capability
  • Adjustable soft start with a default 1.2ms soft-start time
  • Power-good indicator to monitor the output voltage
  • Two adjustable current limit settings with hiccup restart: TPS56C231 (14.7A, 17A) and TPS56C231L (11.5A, 13.8A)
  • Non-latched protections for UV, OV, OT, and UVLO
  • Pin-to-pin compatible with 12A TPS56C215, 8A TPS568231 and 8A TPS568215
  • –40°C to 125°C operating junction temperature
  • 3.5mm × 3.5mm, 18-pin HotRod™ QFN package

Applications

  • Data center and enterprise computing POLs
  • Wireless infrastructure
  • IPCs, factory automation, PLC, test measurement
  • High-end DTV

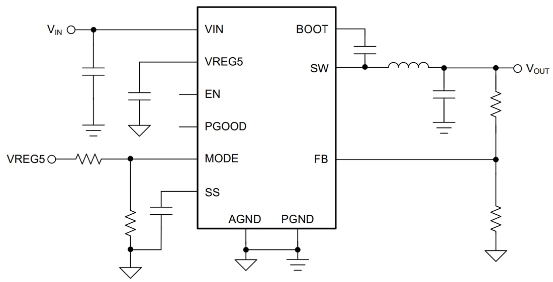
Simplified Schematic

Schematic - Texas Instruments TPS56C231 12A Synchronous Buck Converter
Publicado: 2022-10-14 | Actualizado: 2022-12-23