Texas Instruments UCC12050EVM-022 Evaluation Module

Texas Instruments UCC12050EVM-022 Evaluation Module allows designers to evaluate the performance characteristics and abilities of the UCC12050DVE. The UCC12050DVE is a high isolation voltage DC/DC converter designed to provide efficient isolated power to isolated circuits requiring well-regulated supply voltages. The Texas Instruments UCC12050EVM-022 Evaluation Module test functions of the UCC12050DVE include enable/disable, synchronizing the device with an external clock source, detecting external clock faults, and selecting between the available output voltages.

Features

  • Easily validate all available output voltage selections
  • Test points for accurate ripple and transient response waveforms
  • EVM layout provides an example of proper board layout for rated isolation and EMI performance
  • High efficiency, isolated power transfer of up to 500mW
  • The design is tested and provides all the options to validate the UCC12050, including an easy-to-follow User's Guide

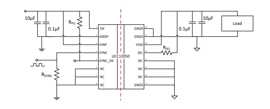
Typical Application Circuit

Application Circuit Diagram - Texas Instruments UCC12050EVM-022 Evaluation Module

Layout

Location Circuit - Texas Instruments UCC12050EVM-022 Evaluation Module
Publicado: 2019-10-18 | Actualizado: 2024-01-05