Texas Instruments UCC27712/UCC27712-Q1 Hi-Side/Low-Side Gate Driver

Texas Instruments UCC27712/UCC27712-Q1 High-Side Low-Side Gate Driver is a 620V gate driver with a 1.8A source, and 2.8A sink current, targeted to drive power MOSFETs or IGBTs. The recommended VDD operating voltage is 10V to 20V for IGBTs and 10V to 17V for power MOSFETs. The UCC27712/UCC27712-Q1 includes protection features where the outputs are held low when the inputs are left open or when the minimum input pulse width specification is not met. Interlock and deadtime functions prevent both outputs from being turned on simultaneously. The device also accepts a wide range of bias supplies ranging from 10V to 22V and offers UVLO protection for both the VDD and HB bias supply. The UCC27712-Q1 devices are AEC-Q100 qualified for automotive applications.

Features

  • High-side and low-side configuration
  • Dual inputs with output interlock and 150ns deadtime
  • Fully operational up to 620V, 700V absolute maximum on HB pin
  • 10V to 20V VDD Recommended range
  • Peak output current 2.8A sink, 1.8A source
  • dv/dt Immunity of 50V/ns
  • Logic operational up to –11V on HS pin
  • Negative voltage tolerance on inputs of –5V
  • Large negative transient safe operating area
  • UVLO Protection for both channels
  • Small propagation delay (100ns Typical)
  • Delay matching (12ns Typical)
  • Floating channel designed for bootstrap operation
  • Low quiescent current
  • TTL and CMOS compatible inputs
  • Industry-standard SOIC-8 package
  • All parameters specified over the temperature range, –40°C to +125°C

Applications

  • Motor drive (stepper motors, HVAC, fans, power tools, robotics, drones)
  • Bridge converters in offline AC/DC power supplies
  • High-density switch mode power supplies for server, telecom, IT, and industrial infrastructures
  • DC-to-AC Inverters

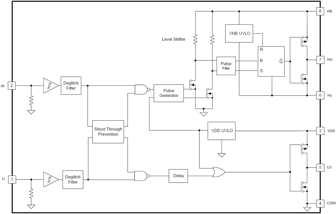
Functional Block Diagram

Block Diagram - Texas Instruments UCC27712/UCC27712-Q1 Hi-Side/Low-Side Gate Driver
Publicado: 2017-09-15 | Actualizado: 2022-06-07