Torex Semiconductor XCL233 Inductor Built-in Step-Down DC/DC Converter
Torex Semiconductor XCL233 Inductor Built-in Step-Down DC/DC Converters feature an output voltage selectable function with an ultra-low power consumption circuit and PFM control. The featured VSET function switches between two output voltages by signal output. When this function is mounted on a low-power MCU with a wide operating voltage range, XCL233 offers a low voltage during standby and high voltage during operations, such as sensor communication, to efficiently drive devices. The efficiency of the XCL233 has been improved by more than 80% compared to traditional DC/DC converters. Torex Semiconductor XCL233 DC/DC Converters are suitable for wearables, IoT applications, and all devices emphasizing space efficiency and high-efficiency performance at a light load current.Features
- Output voltage selectable function
- Ultra-low power consumption circuit
- Buck/step-down type
- PFM control
- VSET function
- Ultra-low quiescent current
- Inductor built-in
- Short protection
- Ceramic capacitor compatible
Applications
- Smart meters
- Low-power RF
- Sensor modules
- Wearable devices
- Energy harvest devices
- Back-up power supply circuit
- Smart cards
- Devices with 1x lithium cell
Specifications
- 1.8V to 6V input voltage range
- 150mA output current
- 200nA supply current
- 86% efficiency
- Output voltage
- 0.5V to 1.9V (0.05V increments)
- 2V to 3.6V (0.1V increments)
- -40°C to +85°C operating temperature range
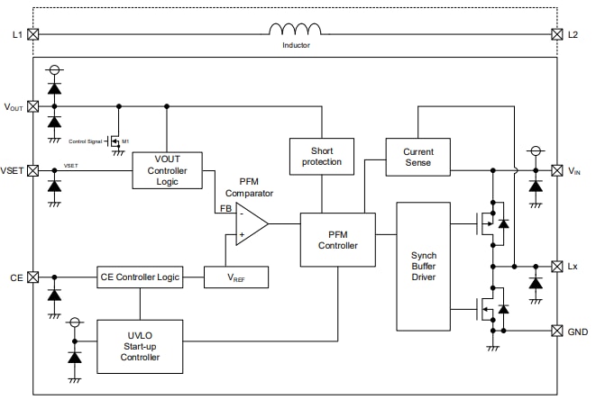
Block Diagram
Typical Application Circuit
Publicado: 2023-06-27
| Actualizado: 2024-04-02
