Toshiba TB6560AFTG Motor Driver IC
Toshiba TB6560AFTG Motor Driver IC is a PWM Chopper-Type Bipolar device for stepping motor control. This single-chip motor driver IC is designed for sinusoidal-input micro-step control. TB6560AFTG provides forward and reverse driving using only a clock signal. Featuring low vibration and high performance, the Toshiba TB6560AFTG Motor Driver IC is suitable for applications that require 2-phase, 1-2-phase, 2W1-2-phase, and 4W1-2-phase excitation modes.Features
- Single-chip motor driver for sinusoidal microstep control of stepping motors
- High output withstand voltage due to the use of BiCD process:
- Ron (upper and lower sum) = 0.7Ω (typ.)
- Forward and reverse rotation
- Selectable phase excitation modes (2, 1-2, 2W1-2, and 4W1-2)
- VDSS = 40V output withstand voltage
- IOUT = 2.5A (peak) output current
- QFN48-P-0707-0.50 package
- 100kΩ (typ.) internal pull-down resistors on inputs
- MO current (IMO (max) = 1mA) output monitor pin
- Reset and enable pins
- Thermal shutdown (TSD)
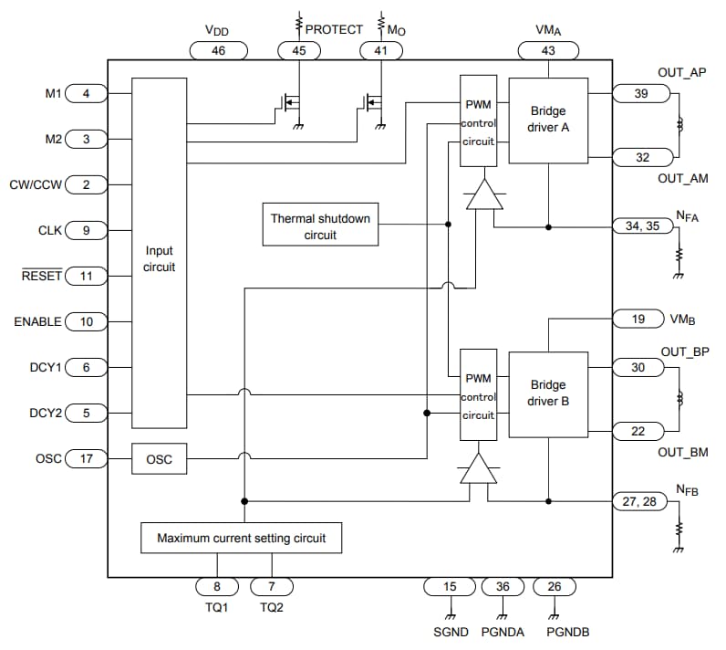
Block Diagram
Publicado: 2016-11-08
| Actualizado: 2022-03-11
