Vishay / Dale 1KW-DCDC-48V12V Converter Reference Design

Vishay / Dale 1KW-DCDC-48V12V Buck-Boost Converter features two module power stages, each rated for 500W, and a converter reference design is available. Symmetrical interleaving of both phases lowers the current ripple, and each phase has protection MOSFETs that can isolate the phase in case of failure and limit inrush current. This 1kW, 48V / 12V buck-boost converter can automatically switch between buck and boost operation, and its 160kHz switching frequency results in a compact form factor. As dual board net systems (vehicles with both a 12V and 48V bus) become more popular, high-power, bidirectional 48V to 12V DC/DC converters have become essential building blocks in today's automotive architecture. Energy must be transferred back and forth between the 12V and 48V batteries to maximize overall vehicle efficiency, and this can be achieved with this 1KW-DCDC-48V12V converter design from Vishay / Dale.

Features

  • Bidirectional 48V to 12V converter
  • 2-phase interleaved operation
  • Automatic buck and boost selection
  • Voltage and current regulation
  • Inrush current control
  • Overvoltage and overcurrent protection

Applications

  • Automotive
  • Networking, telecom, and base station power supplies
  • Industrial and server computing
  • Electric vehicle (EV) test environments

Videos

Principle Diagram

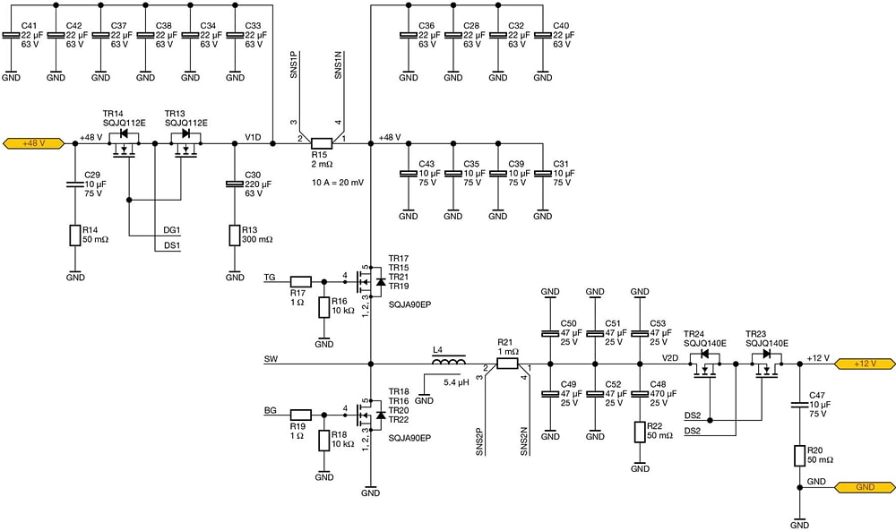
Block Diagram - Vishay / Dale 1KW-DCDC-48V12V Converter Reference Design

Pin Configuration

Infographic - Vishay / Dale 1KW-DCDC-48V12V Converter Reference Design
Publicado: 2024-03-04 | Actualizado: 2024-09-24