Vishay / Sfernice LTO 150 Clip-Mount Power Resistors

Vishay / Sfernice LTO 150 Clip-Mount Power Resistors are AEC-Q200 qualified and offer a 150W power rating and tolerance ratings of ±1%, ±2%, ±5%, and ±10%. These power resistors feature a broad resistance range of 0.03Ω to 1.3MΩ, a non-inductive design, and are designed for clip mounting. Vishay / Sfernice LTO 150 Clip-Mount Power Resistors have an operating temperature range of -55°C to +175°C, a TO-247 package, and UL 94V-0 material.

Features

  • Direct mounting ceramic on a heatsink
  • Non-inductive
  • Broad resistance range
  • Designed for clip mounting
  • Compact and easy to mount

Specifications

  • AEC-Q200 qualified
  • 150W power rating
  • ±1%, ±2%, ±5%, and ±10% tolerance ratings
  • 150W at +45°C case temperature, heatsink mounted
  • 0.03Ω to 1.3MΩ resistance range
  • TO-247 package

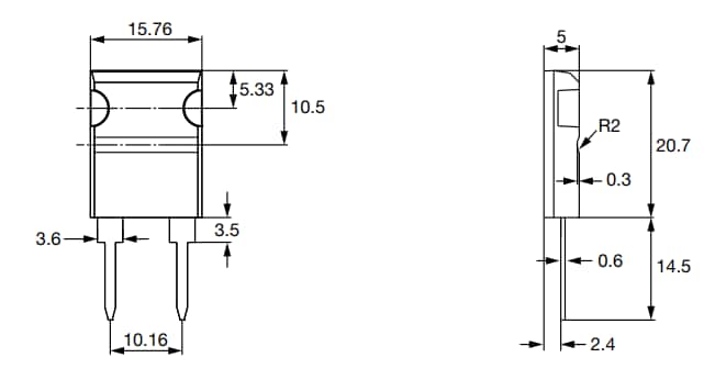
Dimensions (MM)

Vishay / Sfernice LTO 150 Clip-Mount Power Resistors
Publicado: 2022-10-13 | Actualizado: 2025-04-14