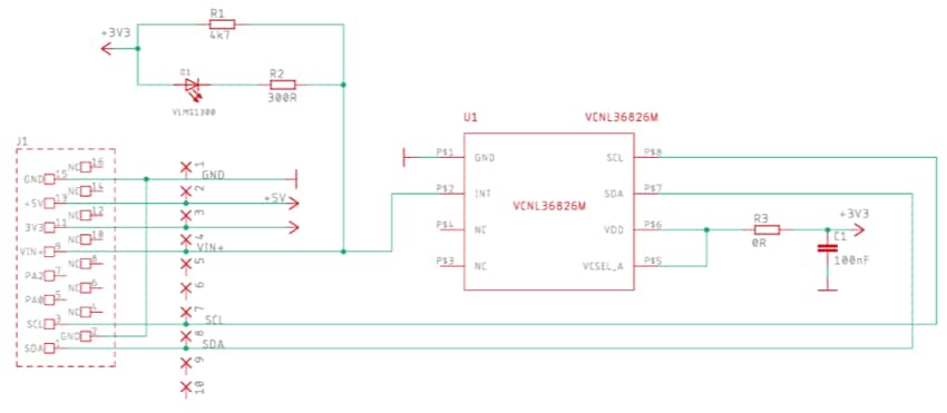
Vishay Semiconductors VCNL36826M-SB Sensor Board
Vishay Semiconductors VCNL36826M-SB Sensor Board is designed to evaluate the capabilities of the VCNL36826M proximity sensor. This sensor board uses the SensorXplorer™ tool for certain applications. The VCNL36826M-SB sensor board is ideal for handheld devices, consumer devices, and industrial requirements.
Applications
- Handheld devices
- Consumer devices
- Industrial requirements
Schematic
Publicado: 2025-07-31
| Actualizado: 2026-02-06
