XP Power ASB160 Baseplate-Cooled AC-DC Power Supplies

XP Power ASB160 Baseplate-Cooled AC-DC Power Supplies are low-profile, full-brick AC-DC power supplies requiring no external components. These power supplies include a built-in EMC filter, AC fuse, and a bulk storage capacitor providing a complete AC-DC power solution. The ASB160 series offers 160W output power and overcurrent, overvoltage, and overtemperature protection. These power supplies reduce failure rate through effective heat exhaustion in a baseplate-cooled design. The rugged modules feature an encapsulated design, making them suitable for use in ATEX-approved equipment. XP Power ASB160 Baseplate-Cooled AC-DC Power Supplies provide high efficiency, minimize waste heat, and operate in a -40°C to +90°C temperature range on the module baseplate. Applications include industrial displays, robotics, factory automation, and process control.

Features

  • Complete AC-DC power supply
  • No extra components required
  • Baseplate-cooled, full-brick package
  • Rugged, low-profile design
  • Overcurrent, overvoltage, and overtemperature protection
  • Optional heatsink

Applications

  • Test and measurement
  • IoT and Industry 4.0
  • Sensing and detection
  • Industrial displays
  • AC-DC converters
  • Robotics
  • Factory automation
  • Process control
  • Security
  • Railway

Specifications

  • 90VAC to 264VAC input voltage range
  • 12VDC to 54VDC single output voltage range
  • ±5% output voltage trim 
  • Up to 93% efficiency
  • -40°C to +90°C baseplate operating temperature range

Videos

Application Examples

XP Power ASB160 Baseplate-Cooled AC-DC Power Supplies

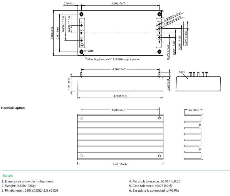
Mechanical Drawing

Mechanical Drawing - XP Power ASB160 Baseplate-Cooled AC-DC Power Supplies
Publicado: 2023-02-03 | Actualizado: 2025-12-12